媒体专区

首页 > 展会新闻
友贸电机 | 专业研发及生产制造直流马达
发布:2025-11-4



image.png

友贸电机(深圳)有限公司

Nichibo Motor (Shenzhen) Co.,Ltd.

展位号:A293

展出产品:无刷马达4259、无刷马达5025、

无刷马达5020、有刷马达超级800等

网址:www.nichibo-motor.cn


公司简介




友贸电机(深圳)有限公司,母公司中贸有限公司创立于1976年,本公司专业研发及生产制造直流马达,产品行销海内外深获世界知名客户的肯定。随着经营范围的扩展,于1993年在广东深圳宝安成立沙井工厂,1998年随着公司业务逐步壮大搬至沙井蚝一村,2002年成立沙井分厂,厂房面积达25,000平方米,月产5,000,000个。2020年位于深圳光明自建的马田工厂正式竣工启用,总使用面积达到60,000平方米,最高每月产能可达10,000,000个。

公司一直秉持「客户至上、品质一流、技术创新、服务专业」的经管理念,为了落实公司的品质政策,藉由严格的品保制度与管理,从进料检验、一贯化制程到成品包装出货,皆层层严格把关,深受客户好评,并且在1997年荣获ISO-9002,2003年通过ISO-9001国际品质认证,2007年通过TS 16949国际性汽车工业品质系统认证,为进军车厂的一大里程碑,2014年公司取得国家高新技术企业证书,从而在同行业中取得领先位置,2016年通过ISO14001并取得证书。2019年取得深圳市安全生产标准化三级达标企业,2020年取得两化融合管理体系评定证书。每一次变革,每一项决定,最终的目的都是促使公司的产品都能达到高精度、高扭力、低噪音、长寿命的品质水准,这是公司对客户的保证与承诺。


Nichibo DC Motor was established in 1976. The Company specializes in R & D and production and manufacture of DC motor. The products sell well at home and abroad, and are highly recognized by renowned customers in numerous countries. With the expansion of business scope, In 1993, Shajing Factory was established in Bao’an District, Shenzhen, Guangdong Province. In 1998, with thefurther expansion of the Company's business scope, Nichibo Motor Plant was relocated to Haoyi Village, Shajing Town. In 2002, Shajing Branch was established. covering an area of 25,000 square meters, with a monthly output of 5,000,000 motor products. In 2020, the self-built Matian Factory in Guangming District, Shenzhen was completed and put into operation. will be officially completed and put into operation, with a total area of 65,000 square meters and a maximum monthly production capacity of 10,000,000 motor products.

We uphold company philosophy as「Customer supremacy, superior quality, innovated technology and comprehensive services.」We receive reputation by conducting water-tight QA system throughout production. Moreover, the Company obtained international quality certification from ISO-9002 in 1997, international quality certification from ISO-9001 in 2003, and the international certification of automobile industry quality systemfrom ISO/TS 16949 in 2007, which marked a milestone for the Company to march towards the automotive industry. In 2014, the Company was officially recognized as the National High - tech Enterprise, thus gaining a leading position among its peers. In 2016, the Company passed ISO14001 and obtained the certificate. In 2019, we obtained the Level-3 enterprise of safety production standardization in Shenzhen, and in 2020, we obtained the evaluation certificate of integration management system of industrialization and urbanization. The ultimate goal of every change and decision is to promote the Company's products to pursue high precision, high torque, low noise, and endurance in motors, which is the Company's guarantee and commitment to customers.


部分展品


1






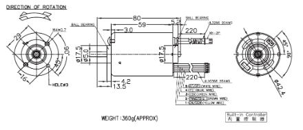
无刷马达4259


BLDC4259


image.png



品介绍



一体式无刷马达,外径42mm, 马达长59mm, 内置控制器,用于水泵、扫拖地机器人、切割机、清洗机、啤酒机等。


image.png


2


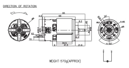
无刷马达5025


BLDC5025


image.png



品介绍


   

分体式无刷马达,外径50mm,铁芯片高度25mm, 外置控制器,多用于电动工具,如电钻,电锤,冲击扳手等。


image.png


3









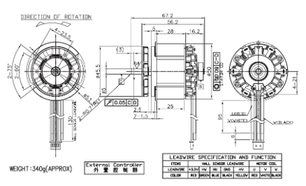
无刷马达5020


BL50E20B


image.png



品介绍



外转子无刷马达,外径50mm,高度20mm,主要用于智能吸尘机器人等。


image.png


4








有刷马达超级800


RS-800


image.png



品介绍



碳素铜结构的有刷马达,转速高,扭力大,外径48mm,长度68mm,主要用于电动工具等。


image.png




[打印]
广东智展展览有限公司 粤ICP备05138619号    展会介绍  |  展会新闻  |  行业新闻  |  网站地图  |  免责声明  |  联系我们  |